Ini memang sering bgt anps keseruduk dari belakang karena kata kabeng beres, rem nya anps pakem banget....jadi ketika rem lgs berhenti...sedangkan mobil di belakang ngerem masih meluncur...kena deh belakang anps nya......memang paling aman pake towing bar yang full om....saran ane... Selain rem p
Mau nanya, kalo mau meminang (AN)PS 2nd sebaiknya yg taun berapa ya? Kerusakannya biasanya apa saja? Thanks Lha ANPS baru keluar 2016, Om.. kalo cari seken ya paling yang 2016.. :ngakak Hallo para suhu, Kemarin pas lagi macet di tol ada mobil yg nyeruduk ANPS ane, karena sopirnya lagi main hp. Na
Kalo udah pasang extra fan, bisa ketauan dari bunyi extra fan muter dan berhenti. Tapi kalo blm, ketauannya dari suara mesin atau dari idle RPM
Sini mampir :ngacir Driver saya boleh mampir enggak, Om? mau komplen, mobilnya enggak bisa ngebut.. https://s.kaskus.id/images/2017/02/08/2929140_20170208095953.jpg Om anps ane udah mau 1.000km rencana mau ganti oli mesin. Kalo di jakarta barat toko oli yg lengkap dan ori dmn ya? Pm juga bole
suhu2....nubitol mau tanya nih.....suhu2 udah ada yg pakai throttle wire gak buat ngatasin boyot anps di rom rendah? Mending remap ECU, Om.. 240 whp, plus EGR off, speed limiter off, plus throtle adjustment.. *colek om resing... eh Om B8099OK :ngacir
No. Indo spec euro2. Cm pake egr ama catconv aja. Catcon juga enggak ada, Om..kapan hari om pipitai pernah posting pas ganti downpipe, dan catcon-nya cuman tabung doang.. kagak ada isi-nya.. Suhu Pejrink, USB port ini pasang di bengkel resmi bisa ga yah? Kira2 pengaruh ke garansi elektrikal AN
salam kenal hu mau nanya dong, kalo mau import pajero sport aussie ada yang tau lewat mana? thankyou suhu suhu Knp enggak dari Thailand? Pabriknya khan setau saya cuman satu..
Ini kalo mau buat offroad, om.. biar engine, transmission dan fuel tank enggak kena batu.. Sementara kalo buat penghematan bahan bakar disebut underbody diffuser.. biasanya dipake di sedan2 sport Junker.. :ngakak
Beda dikit, Om.. saya kalo metode full to full utk harian dapetnya juga sekitar 1:12-an.. Peredam apa, Om? panas atau suara? Aslinya port USB ANPS itu sebetulnya di dalem console box.. cuman kayaknya kena sunat KTB.. jadi cuman ada port lighter doang.. Kalo mau port USB di dashboard, bisa pa...
Kalo mau plastik ABS mah kudu vacuum moulding, Om.. banyak kok yang bisa bikin.. nah, biasanya yang bikin mahal pas bikin desain utk cetakan / dies-nya.. apalagi kalo dies-nya pake aluminium block.. Ini contoh DIY vacuum molding.. cuman pake microwave & vacuum cleaner.. Utk carbon kevlar bisa c...
Mau ditutup semua bawahnya om. Spy di tol lbh irit. Tq om. Oh kirain mau buat offroad.. Kalo niatnya mau irit di tol mah bikin pake plastik ABS ajah.. khan lebih enteng. Kalo pake plat besi ya bobot kendaraan jadi tambah berat (dan tentunya bisa bikin tambah boros). BTW, emang skrg konsumsi BB
3 bulan lalu kirim email ke sono, tapi blm ada balesan.. Mungkin krn kirim emailnya pake bhs Inggris.. bukan Thai.. :ngakak Mau bikin kayak gini, Om? Bisa coba kontak Wayan WBar Custom 0817149 tujuh sembilan tujuh
Spt yg kmrn Om tanya ke saya via PM, krn hanya pake tombol Unlock & tekan 3x (bukan tombol Bagasi di remote standar), jadi enggak perlu kutak-katik ETACS. Bener khan yah? Visco fan utk cooling system
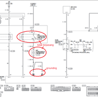
Fan bawaan ANPS Indonesia hanya ada visco fan, Om.. bukan fan elektrik, tapi ngikut putaran mesin.. Nah utk marking 17 dan 19 itu dua-duanya utk koneksi grounding fan elektrik (extra fan).. knp hrs dua grounding, mungkin biar putarannya stabil. Kalo relay Denso paketan extra fan yg hrs dipasang...
halo selamat sore semua mau nanya dong ada ga ya modul kamera 360 utk t32 supaya kalo kita sein kiri or kanan, kamera kiri or kanan nyala n tampilin di HU? ada yang sudah pasang kah? kalo ada, beli dimana? kepengen pasang nih, soalnya kalo belok kiri kadang ga keliatan trotoar di pinggiran kiri, ...
hmmmm, iya untuk plug n play nya emang gitu doang. ane cuman kuatir aja siapa tau ada menu untuk menginfokan ke ETACS bahwa there is extra fan sehingga masuk ke logic temperature control nya dia gan. Ini wiring diagramnya.. Sistem aktivasi extra fan mirip dengan aktivasi kompresor AC (magnet
Om pejrink, nah itu kan baru baru ini saya ada masalah ama ac. Terus agan mlimin bilang info dari KTB, di ETACS ada yang harus diaktifkan alias dicentang ya kalao masang extra fan? punten bisa tolong cek gak Om? Thx in advance. Pasang extra fan enggak perlu aktivasi ETACS, Om..
Ane demen niiih yg kaya gini niiih.....😁 LANJUTKAN OM Ayo, Om.. tinggal milih, pasang piggyback atau remap ECU.. :ngakak Yg pasti sih, keluhan lemot di stop n go jadi ilang..
Coba cek postingan ini, lebih lanjut bisa PM ke ybs. Kalo cek di catalog part number versi KTB, utk ANPS 4x2 atau 4x4 sptnya memang enggak ada extra fan semua.. soalnya part number-nya enggak ada di list. Silakan cek nomor 87049 yg saya kasih kotak merah. CMIIW.
Da lama ga singgah kemari, sampe uda ganti rumah... BTW, saya pakai HU aftermarket AVT, Bagaimana yah nge free ROM nya ? Apps yang dipakai cuma WAZE ama spotify aje... ini sampe kalo mo update, mesti uninstall dl, install dan update... hehehe... Nge-free ROM atau RAM? Kalo nge-free ROM (unins