Sudah coba di ianparts om? Mau tanya oli mesin buat e34 dong om, bagus castrol magnetec 10-40w tau aral 10-40w? Temen juga ada sih yg pake 15-50w biar gk cepet nguap oli katanya? E34 saya acnya sudah dibypass nah itu maksudnya gimana ya? Mohon bimbingannya:) Kalo dibypass biasanya dilansungin ta
Nah, cara ngeceknya gimana om? ngeri juga kalo sampe jebol. ingat ada penghuni di mari yang meledak kompresornya sampe headlamp juga hancur. :takuts Buat memastikan si kompresornya gak jalan terus gampang om, coba buka kap mesin dan perhatikan magnet kompresornya. Pada saat kompresor hidup magn
Gan ane punya pc dengan spec Core i 3 540 Ram 2Gb ddr 3 Vga intel hd grapich 3000 Apakah yg harus saya upgrade untuk main game masa kini ? Seperti the withcer 3 atau fifa 15 ? Meski very low gpp gan asal fps stabil di 30Fps Memory upgrade jadi 4GB atau 8GB sekalian biar enak dan tambah VGA card
Tap punya ane selalu muter om kipas ac nya. setting ac umumnya di 23C. yg ane perhatiin dari mobil mobil lain (umumnya jepun punya) kalau kipasnya nyala dengungan mesin bertambah, dan ada saatnya turun lagi. Tapi mobil ane kalo ac nyala sedikit lebih mendengung dan statis aja ya dengungannya tidak
Slammed siang suhu....numpang corat coret dan berguru dimari.. :shakehand Ane nubi yg ngefans banget ama mobil ber merk bmw ini. Ane baru aja minang dan masih awam banget sm mbl ini. Ane Ada kendala di bmw tua ane. Akhir2 ini sering tekor ga bisa distater. Kemungkinan paling awal apakah aki memang
Help gan...ane ada masalah pas maen BF4 yg multiplayer maupun singleplayer dapet error message sprt ini http://s.kaskus.id/images/2015/06/23/2665390_20150623033356.png Spek kompi ane : AMD VIshera FX-8320 AsRock 970 Pro3 Gigabyte Radeon R9 280 Windforce Corsair Vengeance Black 4x2gb Thermalta
Gan, ada rekomendasi game 1st Person Shooter yang storyline sama graphic bagus gak? Udah bosen ane main panjat2an gedung, ngebunuh orang. main specs: Vga gtx 750ti 2gb Ram 6gb Procie i3 3240 main di reso 1366x768 Cobain Mass Effect series gan walaupun bukan first person tapi third person shooter.
gan ane mau beli vga budget dibawah 500 rb, kira2 yang cocok apa ya gan? dipakenya paling buat game kayak dota 2, fifa 15, sims 4, sama cs go :malus baru/bekas gpp gan yang penting dibawah budget :D kalo bisa bisikin link/kontak penjualnya ya gan :toast Radeon 5570 atau GT440/GT630. Tapi saya wakt
Gan,ane penasaran sama berita ini (berita lama sih) http://www.dailymail.co.uk/news/article-2420147/Graciela-Martinez-14-dies-inside-hot-car-parked-Madera-California-school.html Nah,mobil yang ngunci korban dari dalam kan BMW e36.ane ngidam e36,tapi takut hal diatas terjadi :( Biasanya apa yang r
gan apa perlu update driver ya lagi yang terbaru Kalau berdasarkan pengalaman memang vga Nvidia harus update terus drivernya karena semakin baru akan semakin optimal performanya. Lain halnya dengan AMD/ATI yang tidak selalu dengan update driver jadi lebih baik. Ada beberapa vga yang jadi tidak stab
Pagi para suhu mau nanya,e30 ane ga bisa nyala,dicoba starter cuman ada bunyi "cek" doang sekali,kira2 yg rusak apa ya?mohon pencerahannya,makasih Kemungkinan sih ada 2 dari aki atau dinamo starter, kalau akinya bagus berarti sudah dipastikan dinamo starternya yang harus diservis atau ga
hahahaha.. owalah gan oke oke, iyo PC ane dulu ini di beliin kakak wa, ane ga tau, soalnya ane ga ngerti daleman2 komputer, lagian emang ini udah lama banget, udah dapet lebih dari 5 thn nih PC, ok gan makasih infonya. thx banget:shakehand2 brati ane nabung lagi deh . buat beli PC baru. :mewek
Gan, kalo ane q9650 (no oc) + 8gb + hd 5570 2gb GTA 5 ngangkat ga yang resolusi monitor1366 x 768. ? Mungkin masih bisa gan pake setting detail Low. Prosesornya sih udah lumayan kenceng. Gan maaf, karena ane liat di forum GCT kayaknya di Closed, jadi saya post disini, apabila tidak berkenan hapus
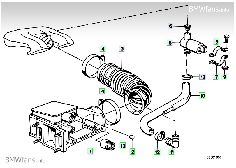
met siang para sesepuh.. mau sedikit curhat nih tentang e30 m40ane... minggu kmarin pas kebetulan lagi g ada kerjaan,,, drpd bengong udah aja utak atik si e30... emang udah aga lama g cek afm busi icv filter bensin cuma ganti oli doang lanjut deh bersihin bilah afm,, bersihin busi.. bersihin icv na
met malmm suhu2 sepuh nubi pengen nanya nih.biem ane koq ga da kipas extra fan AC yg depan yah.ntu bahaya ga buat biem ane? apa musti buru2 beli extra fan..dmn ane belinya kl ada yg di bandung,habitat ane disini suhu n brp harga normal nya?biar ga dimahalin makasi Kalo e36 m43 318 97 emang g
Gan kalo Nvidia Geforce 9100 bagus gak sih buat gaming? Kalo sekelas GTA 4 itu kuat gak sih? :') Makasih yaa gan Gak kuat gan, apalagi GTA4 pasti gak kuat. ada yg dah coba maen kingdom of amalur pake hd5450? pasif heatsink hd5450 bisa diganti pake hsf gak? apa ya yg cocok? Belum pernah coba gan
Bang numpang tanya yak..... ada masalah di Aki E30-M40 ane ni, sampe sekarang belum ketemu, Aki gampang sekali dropp (habis) sampe harus reset inspection, sudah coba di lepas sikring satu2 test melihat pengapian yg paling besar, ga ketemu, sdh coba di lepas alarm, ga hasil juga, Aki nya saat ini pa
Sekarang kondisi blok mesin lagi di cor ulang tapi cor bagusan, distandarin pabrik lagi lumayan harganya 2jt, mudah2an bisa bener. Om kalo kipas radiator kenapa ga mau nyala otomatis yah?sampe temperatur nyentuh 3/4 pun masih ga nyala, itu kira2 knp ya om?switch otomatis nya udah ganti. Sudah d
gue galau. ad yg nawarin 650Ti 950k ambil g ya? ato tunggu ampe bisa kebeli HD7850 aj ya? masalahnya skrg lg g ad vga.. liburan makin deket.. masa liburan g ngegame :( Sebenarnya sih masih kencengan 7850 gan, cuma 650Ti kalau 950k mah murah, itu baru apa seken? Dan merknya apa ya? Soalnya pengaruh
Processor: AMD Quad-Core A8-5545M APU (1.7 GHz) itu setara dgn dual core gan?? :bingungs Yap betul gan, itu kan prosesor mobile jelas lebih lambat daripada prosesor desktop yang setara. ( contoh dengan A8 yang desktop) Untuk referensi bisa agan cek di http://cpubenchmark.net/cpu_list.php. Ini ad