gan tanya ada software buat baca partitur ga? ane anggota marching band, blom bisa baca partitur disuruh pelajarin sendiri partitur lagu makasih
gan laptop ane br instal pesnya, patch sama DLC udh lengkap tapi pas main selalu eror 0xc000007b, itu eror apanya ya gan?
om bisa bikinin jadwal latihan buat ane ga om? umur 19 thn, berat 55kg tinggi 169cm waktu free buat latihan cuma selasa sama kamis, hari lain belum pasti perut ane sih udh agak jadi soalnya push up ane rajin, ane pengennya ngebentuk lengan sama dada, sama bikin badan keliatan berisi sedikit, ane ...
ada gan temen ane kekuatan kebal senior sama kekuatan ga ngantuk di kelas maklum gan ane sekolah kedinasan ada hukuman fisik
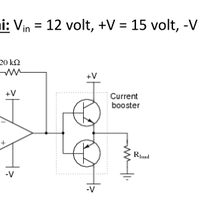
gan bantuin ane dong gan merangkai di proteus, ini ane ga ngerti ga dapet2 keluarannya http://s.kaskus.id/images/2014/06/10/3962322_20140610010420.png yg ini disuruh menghitung nilai R load http://s.kaskus.id/images/2014/06/10/3962322_20140610010429.png yg ini ane dpt tp ko ga ada gelombang
gan mau tanya laptop saya hp pavilion 14- D002TX masih gres 2 hari waktu standby laptop cuma kira" 2,5 jam, itu normal kah untuk laptop baru? atau memang kapasitas batrenya cuma segitu? padhal cuma dipake browsing yg ringan doang, itupun kebanyakan ditinggal, nanti layar ngedim sendiri ada ca
gan laptop saya hp 14-D002TX wifi bermasalah, udh download driver dari situs hp sendiri, pas di instal ga work ada yg bisa bantu? hw ids PCI\VEN_168C&DEV_0036&SUBSYS_217F103C&REV_01 PCI\VEN_168C&DEV_0036&SUBSYS_217F103C PCI\VEN_168C&DEV_0036&CC_028000 PCI\VEN_168C&DE
iya gan... moga aja masih...:sorry ditawarin G410s yg i5 4200M, tapi sayangnya ram cuma 2gb, btw Radeon HD8570M bagus ga sih kalo dibanding GT720M? ditawarin juga Lenovo S410p i5 4200u (@1.6GHz upto 2.6GHz) + GT720M... bagus ga tuh? :bingung duh jdi bingung nih... kebtuhannya sih buat kerjaan seh...
gan ane mau nanya nih mungkin subyektif kira2 mending ane beli nanti pas lumia udh update wp 8.1+bbm+whatsapp atau sekarang aja yah? lumia 520 udh pasti support 8.1 kan ya?ane btuh bbm/wa, takutnya nanti malah ga support butuh hpnya sekarang sih thx
gan laptop ane suka nyetrum nih kalo sambil dicas sekitar touchpad, itu knp ya? nyetrumnya suka parah kalau dicas dirumah, kalau dikos tetep nyetrum tp ga separah dirumah apa emang masalah di listrik rumah atau sama laptopnya ya?
gan laptop lenovo g400s-6485 udh ga keluar lagi ya? kira2 laptop dg price performance yg mirip apa ya? ane budget cuma 5,5jt (sebenernya ada 6,3jt tp mau dipres buat nambah beli lum*a)
gan tanya g400s-6485 itu udh ga lanjut ya abis keliling mangdu katanya udh lama ga ada, penggantinya s410 sama g410 tp klo diliat web enterkomputer getlenovo bhineka kok masih ada ya?apa blom diupdate ya? kalau masih ada ,dmn saya bisa beli tuh laptop? terimakasih suwun
apem indosatgprs.. modem e392 .. klo pake sg DO idm lebih ngebut lagi pake paket ga gan?dpt qos berapa tuh? ngilerr :matabelo
sg tion http://www.speedtest.net/result/3516886583.png isat bdg no zlib idm http://mkerala.com/u/di/ZX9Z/tion.gif :matabelo:matabelo itu apemnya apa gan? atau modem dewa ya?
gan rasanya pake windows phone itu apa sih dibanding si ijo?kelebihan sama kekurangannya gan bisa dijelasin ? trus kenapa yah masih jarang yg pake windows phone? apa krn kebanyakan yg ando minded
bedanya nih hp sama hp adnroid based lain apa sih gan? secara nokia x ini cm modifan dr android trus pertanyaan ane, ko jarang ya yg pake hp ini? apa orang2 masih samson minded yah?
gan, ane ada budjet 1,2 jt worthed ga sih gan kalau ane beli nih hp supercopy?ane ragu2 gan makenya, takut karna kw sering trouble, atau ane beli hp paspasan tp ori dr beli sampai skrg agan2 udh ada dapet kendala apa aja? kalo mau beli s4 supercopy, yg hrs diperhatiin apa aja gan?ada referesinya d
gan minta saran ane ada budjet +- 1,5jt pengen dpt hp yg suaranya ajib, spek lumayan dirange harga sgitu , buat multitasking ga ngelag, sama layarnya responsif kamera ga terlalu penting, kalau udh autofocus sih nilai lebih ambil apa ya?atau perlu nabung dikit lg kalau review nokia x gmn tuh gan?m