disini ada ga ya yang bisa bikin multi port usb charger.. boleh dicoba dibaca disini ....http://forum.xda-developers.com/showthread.php?t=1675042 sebenere hanya +5v dan Ground yg disambungin ke port USB FEMALE nya http://www.electronics123.net/amazon/pictures/cc088b.jpg tapi karena ada beber
hmmmm..memang harus pake ic yg sama? kreatif dikit gan...jangan dikit2 nyerah..apalagi bermental " arduino " ya gini nih contoh kalo mental arduino merasuki jiwa.....ic susah nyerahhhh tambahan.....itu yg copas script pake cvavr sampah bgt sihh comment nya di script kebanyakan jadi mal...
bukan koplo kalo goyangannya ga seru + ga mesum gan... biarin aja toh yg salah kenapa bapaknya ngasi anaknya nonton acara bodoh macam YKS .. KASIAN GENERASI SEKARANG ....KANGEN TV 90an
yg mau belajar routing pcb silahkan buka di ..... http://archive.kaskus.co.id/thread/2654259/2000#2001
mungkin bajunya ad sumber panasnya kali gan, hehe soalnya pir kan ngdeteksi benda yg ada sumber panasnya, trus bisa jg agan kena sensornya walau sedikit & agan ngga nyadar, soalnya pirnya pake lensa fresnel kan jd penyebarannya luas. ===================================================== Aga
ane juga nyari tuh gans. coba liat enerjar.net dah, bagian tersulit dari alat ini adalah butuh shut resistor, bikin pake kabel katanya, kalo berhasil kabar2i yah gans. FYI enerjar itu jalan di 110V buat listrik standart US, sedangkan kita pake standart europe 220V. untuk sensor arus ada modul
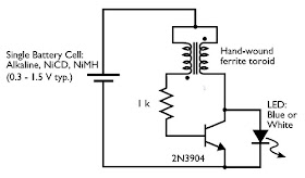
yang mau rancangan input kecil, output gede ke led ya pake joule thief aja gan dengan 1 baterai 1.5 volt bisa nyalain led yg biasanya pake 2 baterai ane pernah nulis di blog .... www.aisi555.com/2012/11/joule-thief-menghidupkan-led-dengan-1.html http://3.bp.blogspot.com/-cG1x95V9rtM/ULLGUI4OM-I/
bener nih, ane pake lcd juga milih nonton tvri, lebih lega dan pas ama mata kalo TVRI komentatornya ademm...suaranya slowww...enak nontonnya SCTV komentatornya agak semi-teriak, sering salah kasi komentar di Tempat ane (surabaya) TVRI lebih dulu 3 detik dari SCTV, jadi yg nonton TVRI teriak g
siip gan...kalo pake LCD mending pindah channel ke TVRI aja...formatnya 16:9 gambarnya lebih lega..kalo tendangan pojok + tendangan bebas SCTV biasanya ga kelihatan orangnya alias kepotong pinggir-pinggir nya GOOOOOLLLLLLLLL tumben bayu gatra ampuh tendangannya
ente jadul banget sihh...ga tau TV format HD ya ? SCTV itu motong gambar yg Formatnya HD 16:9 Kalo mau yg full coba TVRI tuhhh tapi kalo TV mu masih tabung dijamin gepeng2 pemainnya capee dehhhhh ..penyelenggara kok disalahin...TV ENTE TUH DIUPGRADE !!
TUTORIAL Keypad Matrix ke 7 segmen http://4.bp.blogspot.com/-KQJHF20KXws/UrE7Y13UJUI/AAAAAAAACWg/IhUAqCjt78s/s1600/keypad_bomb.jpg Catatan : Untuk mempelajari tutorial ini agar memulai dengan praktek dasar input/output dan jam 7segmen Tombol atau keypad merupakan alat input yg umum digunakan.
kalo udah 5v ya gak usah pake 7805 gan, yang masuk 7805 kalo gak salah ada minimum tegangan inputnya biar bisa keluar 5v. jadi kalo udah 5 v yaudah masukin aja langsung vcc mikro kalo ga yakin ama 5volt nya dan Vin < 7.5 volt ya jangan pake 7805 pake zener aja, nilai yg umum 5.1 volt http:/
OOT dikit yaa ini komentator utama di SCTV super geje gan udah kemaren dia nyebut kalo yg bawa papan tambahan waktu itu adalah Inspektur Pertandingan , hari ini Laos ama Malaysia ada tendangan diluar kotak penalti dibilang di CHOP dan jelas itu shooting ...trus sering banget istilah-istilahnya an