suhu, mau tanya..love hurt kaki d dot matriks yg nomer 11 & 12 emang ndk disambungkan kmana2 y?http://s.kaskus.id/images/2014/03/03/991638_20140303055402.png ini gan jawabannya.. http://4.bp.blogspot.com/-tgkDDcqbe4s/UhMif-979JI/AAAAAAAACLE/pXOyT2V867E/s1600/5x7.jpg
Wah terimakasi ni sebelumnya udah dibales sm TS, hmm, klo misalnya 2 master ngirim data hampir barengan (dalam jarak ms) gimana gan ? takutnya data addressnya korup dan ngloop trus address yg salah di bus dan ga ada slave yg ngejawab? klo ada tutorial lengkap cara buat rs485 untuk komunikasi at
Permisi agan master, numpang nimbrung nih bagus threadnya, jadi gini, ane rencananya mw buat komunikasi antar mikro atmega 8 kira2 sekitar 3 ato 5 mikro dengan multi master/slave. nah rencananya ane mw make protokol komunikasi serial i2c plus extendernya IC P82B715 (karena pemakaian untuk jarak j...
kalo ascii saya tau om :malu: yang perkarakter saya simpen itu ya karakter ascii'nya bukan ubah mode rfid via jumper ini yg saya gatau si sensor ini langsung d'colok ke minsis'nya hmm kaya'nya saya kelewat utk poin no 3 jadi si 2 data awal itu selalu ngikut di awal, trus begeser :bingung: bisa tol
rfid itu ada mode datanya...ascii wiegand, magnetic aba dsb...nah milih modenya via jumper settingnya..karena paling gampang ASCII yg lgsg dibaca karakternya...ya pake ini ..masak hari gini ga tau ASCII... 1. STX (0x02) , start transmission 2. 10 DATA ASCII 3. 2 byte checksum (ascii) 4. ETX , k...
maap om numpang sundul inih :malu: coba mode data RFID nya pake ASCII aja... BTW kamu pake modul RFID apa sih ?
Gan, ane bru mau coba coba dunia mikon nih Kira kira yg cocok buat nubie mikon jenis apa ya? Trus mau nanya klo bdany arduino sma creative vision gtu apa ya? Knp klo creative vision banyak colokan malenya sdangkan arduino female smua ? Sama kalo bsa skalian mikonnya yg bsa pke atmega16 Thx para s...
ini dimasukkan dong KEMBALIANNYA DI DONASIKAN KE PMI ...padahal kasir kadang2 ga input looo ...makanya di cek apa bener ada program donasi ke LEMBAGA SOSIAL..kalo perlu minta no ijin penarikan sumbangannya...dan sekali lagi cek di struk ada keterangan donasi ga ?
saya copas dari blog saya www.aisi555.com Operasi byte berguna saat melakukan perubahan register, memory dan juga input output. Semisal kita ingin melakukan setting PORT D menjadi output semua, maka kita tuliskan di listing seperti ini : DDRD=0b1111111; atau DDRD=0x7F; atau DDRD=127; begimana k...
Gan ahocool tanya lg dong.. Itu kalo pake catv 20db 1 biji bisa berapa meter? Kalo 2 biji bisa berapa meter kira2? Terus misal pengen dikasih antena outdor yg TEPAT paka antena jenis apa? Kalo pengennya bisa 100meter-an gan. Apa ditambah 1buah CATV 20db & antena outdor tinggi kira 5meter.
makasi om :) === mau tanya lagi yaa :malu: http://s30.postimg.org/nrio4bzpd/xtrxt.jpg pembacaan rfid saya, di tiga pembacaan awal sejak start, selalu ga sesuai urutan karakter'nya selebihnya sih lancar kaya ada data kesimpen lebih dulu ato gmn ya? udah coba ischarwaiting, ternyata ga pengaruh to
motornya arusnya sampe berapa gan? klo misalnya 1-2 A & g ribet pake L298 aja, klo arusnya lebih besar dr 2A pake mosfet aja, ada sih transistor tipe2 tertentu u arus besar tp nanggung hehee....bedanya transistor dg mosfet ane lupa gan hehe, klo pengen lbh jelas ente baca bukunya Malvino bole
ga bisa lah kalo mau program avr dengan programmer mcs51 ... secara metode programming sama tapi alokasi flash dan fusebit etc beda looo kecuali memang programmernya combo
bu...hari ini simo banjir lagi...kayaknya ibu pernah bersih2 di jl. pacuan kuda dan simo sidomulyo...saya senang ibu ikut angkut2 sampah...tapi tolong dong sungainya di dalemin dan di bikin alirannya jelas jalurnya jadi bisa ngalir pas ujan deres ini ujan 1 jam aja udah bingung banjir ga bisa pulan
Coba pake PSU komputer gan (switching) arusnya gede, cuma ane gak tau kenapa kok jarang orang pake buat audio amplifier (pengamatan di toko elektronik dekat rumah ane) http://www.instructables.com/id/Turn-Computer-Power-Suppy-into-Car-Audio/ pake seken atau baru yang murah aja dulu buat coba2
Kalo boleh tau, sebenarnya mau buat apa dan gambarnya dapat dari mana ya? Siapa tau bisa diakalin pake rangkaian yang lain. Coba cari di google dengan keyword LM1815. Mungkin bisa sebagai alternatif. http://en.wikipedia.org/wiki/Variable_reluctance_sensor hmmm...terlalu keminggris penjelasan
masalahnya, ane dapat gambar itu juga dari internet gan, jadi gak bisa merekayasa kembali, makanya ane minta tolong agan2 disini untuk bantuannya, hehehe tolong ya agan agan sekalian, gimana mau nolong wong rangkaian fungsinya apa juga ga dikasi tau trus foto rangkaian yg dikasi (jauh lagi) dan
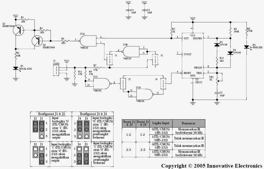
Remote Control dengan 38kHz Infra red Menggunakan NE555 dan HT12D/E Semakin asyik dengan project non micro nih...ya tanpa micro biar orang yg sedikit jadul dan mungkin lemot (sorry ya) bisa berpartisipasi juga. Kali ini akan bermain dengan remote control berbasis inframerah, dimana ada sebuah modu
Gan. Ane udah dapet rf vcdnya hampir sama kayak foto diatas.RF Outnya model RCA female. Dan ane udah coba tapi belum pake penguat. RF VCD + Antena doang. Udah bisa tapi kok gambarnya tapi blank item-->muncul gambar--->blank item--->muncul...Gitu terus :hammer: Atau kurang ge