Yup, suction cup yg karet nya warna hitam, emang bs copot kalo kena panas. Ane sarankan pake yg karet warna bening. Kalo mau tau, cek suction cup merk capdase, tinggal cari merk lain yg harga nya lebih terjangkau. Ane pake suction cup karet bening, pengalaman pribadi tidak masalah mobil kepanasan,
Bagusan yg double tape, pengalaman pake tipe suction cup kelemahannya saat parkir ditempat panas, bisa lepas sendiri ampe narik kaca film lepas dr kaca. Btw sy gak pake xiaomi, tp papago p1pro, hewlett packard f210 & viofo a119, sekedar saran cari yg pake super capacitor jgn yg batre, soale klo ...
agan2, numpang tanya sirion sodara aneh nih. kanvas rem masih tebel minyak rem penuh dan gk bocor. tapi remnya amblas gan, musti kick down sampe mentok lantai br ngerem. biasa kena apa gan ? Keliatannya ada udara masuk system rem, coba di bleeding.
Permisi suhu2.., mobil saya ipah dsl 2009, akhir2 ini kok sering kluar gambar engine check ya?, tapi kalo kontak di matiin trus di nyalain lagi ilang gambarnya, menjelang gambar muncul biasanya tenaga suka ilang kayak masuk angin, kalo di reset pake model cabut aki kembali normal tarikan jadi gar...
wah beda jauh sama yg asli toyota yah harganya,, tau bengkel rekomendasi di sekitar cilacap dan purwokerto? thanks bgt gans Yup, klo utk mobil sejuta umat mudah nyari spare part aftermarket berkualitas harga miring, the power of mass production :) Klo cuma bongkar pasang rem rasanya bengkel um
Kaca film lebih mudah dilepas setelah dipanaskan, lem berkurang daya rekatnya saat dipanaskan, bisa jemur di matahari 30 menit, pake heat gun or nyalakan defoggernya, lepas perlahan digeser searah kaca bkn ditarik tegak lurus, yg bikin rusak itu krn nyabutnya buru2 ingin cepat, tipikal toko akse...
Gan , ane pake antena ini kok tambah jelek ya signal fm nya. Itu yg jeroannya model pcb gitu ya? Aslinya antena shark fin kan merk JS Racing yg jeroannya kayak plat stainless bentuk pesawat sukhoi :D, krn mahal sy beli kw nya aja sih yg jeroannya mirip, lumayan sinyalnya lebih bagus dr oem, mung...
https://s.kaskus.id/images/2017/06/03/8424453_20170603110003.jpgGanti bemper dpn dan servis rangka body yg nyantol pintu di Daihatsu Waru rujukan jatim krn di HR Muhamad ga ada bagian body repair. Inden bemper baru 2 minggu...ga ada masalah di rem selama inden. Komplain 2 hari setelah servis ada ...
wah masih dapet aja S21, stok lama mungkin ya? teman dah lama pakai 120/60 aman aja memang lebih nunduk dan gap di spakbor depan kelihatan. kalau ban lebih tipis itu breakingnya lebih mantap tapi kenyamanan berkurang karena lebih tipis. selebihnya grip dll sama aja asal karetnya bagus Yup, tp msh
aman masbro, ane jg pake 120/60 battlax, mantap buat miring2, jalan hujan dan braking ngga masalah. Oke deh sip klo gitu, bsk lsg pasang, thanks bro.
bro kalo knalpot aftermarket yg paling adem, paling silent suaranya apa ya ? Akra original + dbkiller ? Yup benar, akra paling adem & kalem suaranya. Btw guys, barusan nebus 1 set ban s21 buat gantiin ban depan bawaan yg udah 5 thn & ban belakang yg gak bs dibawa kenceng ujan2, cuma ukuran
https://s.kaskus.id/images/2017/05/28/4817619_20170528070627.jpg Gan pipa ac yang dari kompressor ke evap kan dingin ya, tapi sekitarnya panas (mesin) kalau di bungkus pipanya akibat baik dan buruknya apa ya? Trus knapa dari pabriknya ga di bungkus sperti ac split Pipa yg dari evaporator ke kompr
Oh kalo Sirion itu lampu low dan high beam nya terpisah ya om? https://s.kaskus.id/images/2017/05/22/36613_20170522032350.png Btw Yg model nya kayak begini bukan ya om? Saya sempet mau pasang untuk di projector MH1. Apa temen om uda pernah ada yg pasang di projector mh1 om? Hehe Iya terpisah, lo
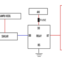
Kalo dilihat dari pemasangan kemaren sudah bener om speedgod kayak rangkaian yg om kasih. Jadi lampu foglampnya akan nyala kalo lampu kecilnya jga nyala.. Apa karna umur akinya juga yah?pemakaian aki sekitar 10bulan,secara waktu itu beli yg agak kurang nama.. Sekarang pake aki basah gs 55d23L kira2
Mohon pencerahannya para sesepuh dan masta2 ipah.. Karna ipah ane tipe e,jadi masih banyak yang kurang nih..Ane baru aja pasang lampu fog lamp dan kayaknya terjadi kesalahan pemasangan karena 4 hari stelah pasang aki ane lngsung tekor.. Untuk pemasangan kabelnya yang dari sekringnya apa ga boleh la
Om itu projector nya asli bawaan mobil nya yaaa? :) Halo om dan juragan di Forum ini :) Boleh minta saran nya :) Kalo untuk avanza/xenia taon 2014, Mau retrofit projector oem, mendingan pilih projector Rush (+dipasangin selenoid supaya bisa HiLow) atau mendingan pilih projector Vios / Mobilio (y
setelah saya bawa ke HDA dan dicek ternyata masalahnya cukup sepele, ada kabel yang tidak pas sehingga meleset di posisi socket ECU, kemungkinan ini terjadi pas saya nge bypass dastek, waktu itu mobil mati muncul check engine, dipandu sama HDA by phone. Setelah dibenerin, Alhamdulillah gak ada masa
https://s.kaskus.id/images/2017/05/09/4817619_20170509090127.jpg Ini yang paling bagus tanggal 17 apa tanggal 9 ya gan? Blom ada sebulan kok hasilnya beda Bagus semua msh msk standar kok bro, cuma utk tgl 9 krn afr terlalu lean/miskin kliatannya ada sedikit misfire jd hc & O2 ada sedikit peni
Agan agan yg udah make, bagus mana CAI dibanding Cyclone buat ngatasin Endut endutan, ada yg udah bilang sih bagusan Cyclone, tp apa bener lama2 jd g berguna karena nanti dirubah sm ECU nya.trims Cai hanya berfungsi di mobil karburator, utk mobil injeksi gak berguna krn ada maf sensor utk cek densi
Berarti Foglamp si Om itu di bongkar dulu yah. Terus di stickerin warna kuning. Tapi sticker nya dari bagian dalam ya om? Apa ga masalah itu om kalau misalkan di stickerin nya dari dalam? :) *apa ga panas om? Iya sisi dalam lensa krn rata, diluar terlalu cembung, krn sumber cahaya hanya led co